工作时间WORKING HOURS
7X24小时不间断服务
联系我们CALL US
+86-0871-63399223
地址ADD
云南·昆明·西山区环城南路668号
云纺商业区装饰广场一层64号

收集了比较全的热泵知识,机理及分类。

时间:2019年08月25日 信息来源:本站原创 点击:
(作者:佚名编辑:云南昆明地暖公司)


热泵的机理及分类

   

1、原理  


热泵的作用是从周围环境中吸取热量,并把它传递给被加热的对象。

与制冷机相比:

相同点:都是按热机逆循环工作

不同点:工作温度范围不同

 

收集了比较全的热泵知识,机理及分类。


TA为环境温度,T0为低温物体温度,Th为高温物体温度。


根据热力学第二定律,当以高位能作补偿条件时,热量是可以从低温物体转移到高温物体的。因而热泵循环中,为了向被加热的对象供热,就必须消耗功。

 

2、蒸汽压缩式热泵的工作原理图


收集了比较全的热泵知识,机理及分类。

3、蒸汽压缩

蒸汽压缩式热泵的理论循环是在具有温差传热的两相区的逆卡诺循环基础上改造而成。

收集了比较全的热泵知识,机理及分类。


布雷顿循环

   

1、布雷顿(Bragton)热泵循环

1844年美国高里(J.Gorrie)制造了利用空气作工质的气体压缩式制冷机。

最早的空气制冷机时封闭的布雷顿循环。


2、布雷顿循环


收集了比较全的热泵知识,机理及分类。


3、布雷顿热泵理论循环应具有如下条件:

气体在压缩机与膨胀机中的压缩和膨胀过程都是等熵过程;

气体与被冷却物和加热物体之间必须在无温差情况下相互传热;

不计气体在高压热交换器与低压热交换器中流动阻力损失。

 

斯特林循环

   

斯特林1816年提出“外燃机”的专利,最初用于热机。

外燃机,又称斯特林发动机

 

收集了比较全的热泵知识,机理及分类。


斯特林循环由两个等温和两个等容过程组成。

 

收集了比较全的热泵知识,机理及分类。


斯特林循环是很有意义的一种循环。理想的斯特林能够与同温范围内的逆卡诺循环具有同样的制热性能系数。


实际上实现理论斯特林循环有一定困难,主要表现在:

活塞的运动应是间歇的,这是难以实现的;

回热器应是无阻力的,其换热效率应是100%;

与外部热源的热交换认为是无温差的理想过程。

 

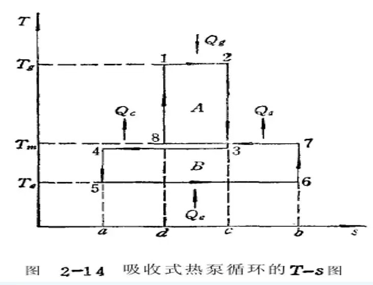
吸收式热泵理论循环

   

与蒸汽压缩式热泵不同的是,压缩式热泵靠消耗机械功,而吸收式以消耗热能来完成。

收集了比较全的热泵知识,机理及分类。收集了比较全的热泵知识,机理及分类。


1、压缩式和吸收式制冷热泵性能系数比较


收集了比较全的热泵知识,机理及分类。


2、有溶液热交换器的吸收式热泵图示

收集了比较全的热泵知识,机理及分类。


3、有无溶液热交换器的吸收式热泵工作热力性能的比较

 

收集了比较全的热泵知识,机理及分类。


蒸汽喷射式热泵理论循环

   

蒸气喷射式热泵同吸收式热泵一样,是靠消耗热能来提取低位热源中的热量进行供热的设备。它具有结构简单,几乎没有机械运动部件,价格低廉,操作方便,经久耐用等优点,因此,尽管喷射式热泵热效率低,仍引起了人们的兴趣。

 

1、蒸汽喷射式热泵系统

收集了比较全的热泵知识,机理及分类。

2、喷射式热泵理论循环压焓图

 

收集了比较全的热泵知识,机理及分类。

温差电热泵

   

温差电热泵(又称热电热泵、珀尔帖热泵)是建立在珀尔帖效应的原理上的。当一块N型半导体(电子型)和一块型导体(空穴型)联结成电偶,在这个电路中接上一个直流电源,并流过电流时,就发生能量的转移,在一个接头上放出热量,而在另一个接头上吸收热量。这种现象叫做珀尔帖效应。


1、热电式热泵示意图

 

收集了比较全的热泵知识,机理及分类。


化学热泵

   

1、定义

化学热泵是一种新型热泵。所谓化学热泵,广义来说是指利用化学现象的热泵。狭义来说则是指利用热化学反应的热泵。实际的化学热泵一般有三种型式。

  • 蓄热型

  • 增热型

  • 升温型

 

2、蓄热型热泵的工作状态图

收集了比较全的热泵知识,机理及分类。


3、增热型化学热泵

收集了比较全的热泵知识,机理及分类。


4、升温型化学热泵工作原理图

 

收集了比较全的热泵知识,机理及分类。

分类

   

1、按工作原理分


(1)蒸汽压缩式

通常在由压缩机、冷凝器、节流装置及蒸发器等部件组成的系统中进行循环,并通过工质的状态变化及相变实现低品位热能“泵”送至高品位的温度区。


(2)气体压缩式

与蒸汽压缩式热泵的区别在于这类热泵中工质始终以气态进行循环而不发生相变。


(3)蒸汽喷射式

以蒸汽喷射泵代替机械压缩机,其余工作原理同蒸汽压缩式。

吸收式  消耗较高品位的热能来实现将低品位的热能向高品位传送的目的。

第一类(增热型):供热的温度低于驱动热源,以增大制热量为目的。

第二类(升温型):供热的温度高于驱动热源,以升高温度为目的。

热电式  利用破尔帖(Peltier)效应,即当直流电通过由两种不同导体组成的回路时,会在回路的两个连结端产生温差的现象。


优点:无运动件、工作可靠、寿命长、控制调节方便、振动小、噪声低、无环境污染。

缺点:热电堆元件成本高、效率较低

化学热泵 利用化学反应吸收、吸附、浓度差等现象或化学反应等原理制成的热泵。目前尚处研究阶段。

 

2、按热源分

热泵的热源(Heat Source)往往是低品位的,可分为:

  • 空气

  • 地表水、地下水、城市自来水

  • 土壤

  • 太阳能

  • 废热(水、气)

 

3、按用途分

  • 住宅用,制热量为1~70kw

  • 商业及农业用,制热量为2~120kw

  • 工业用,制热量为0.1~10MW

(工业用还可以进一步划分为干燥用,工艺过程浓缩,蒸馏等用)

 

 

4、按供热温度分

  • 低温热泵,供热温度<100℃

  • 高温热泵,供热温度> 100℃

 

 5、按驱动方式分

  • 电动机驱动

  • 热驱动

  • 如吸收式、蒸汽喷射式热泵

  • 发动机驱动

  • 如内燃机、汽轮机驱动

 

 6、按热源与供热介质的组合方式分

  • 空气—空气热泵

  • 空气—水热泵

  • 水—水热泵

  • 水—空气热泵

  • 土壤—空气热泵

  • 土壤—水热泵

 

 7、按热泵的功能分

  • 单纯制热

  • 交替制冷与制热

  • 同时制冷与制热

 

8、按压缩机类型分

  • 往复活塞式

  • 涡旋式

  • 滚动转子式

  • 螺杆式

  • 离心式

 

9、按热泵机组的安装形式分

  • 单元式热泵机组

  • 分体式热泵机组

  • 现场安装式热泵机组

 

 10、按热量的提升分

  • 初级热泵(Primary heat pump)

  • 利用天然能源和室外空气、地表水、地下水或土壤等为热源

  • 次级热泵(Secondary heat pump)

  • 以排出的废水、废气、废热等为热源

  • 第三级热泵(Tertiary heat pump)

  • 与初级或次级热泵联合使用,将前一级热泵制取的热量再升温。

 

系统基本图示

   

1、热泵基本循环

  • 闭式蒸汽压缩循环

  • 带有换热器的机械蒸汽再压缩循环

  • 开式蒸汽再压缩循环

  • 热驱动郎肯循环

 

2、闭式蒸汽压缩循环

在暖通及工业过程中最普遍,使用一种常规的独立制冷循环。

 

收集了比较全的热泵知识,机理及分类。

3、带有换热器的机械蒸汽再压缩循环

工艺蒸气被压缩至温度与压力达到足以在工艺过程中直接使用。该循环的典型应用如蒸发器(浓缩器)和蒸馏塔。

 

收集了比较全的热泵知识,机理及分类。

4、开式蒸汽再压缩循环

该循环的典型应用是在工业装置中将一些多余的较低压力的蒸气泵送至所需较高的压力值。

 

收集了比较全的热泵知识,机理及分类。

 5、热驱动朗肯循环

适用于大量废热而能量较昂贵的场合。通常是闭式的。

 

收集了比较全的热泵知识,机理及分类。


热泵的几种型式

   

1、空气—空气热泵

 

收集了比较全的热泵知识,机理及分类。

 

2、空气—空气热泵

最普通的热泵型式,特别适用于由工厂制造的单元式热泵。也被极广泛地用于住宅和商业中。

在该类热泵中,热源(制冷运行时为冷却介质)和用作供热(冷)的介质均为空气。可通过电机驱动和手动操作的换向阀来进行内部切换,以使被调空间获得热量或冷量。

在该系统中,一个换热盘管作为蒸发器而另一个作为冷凝器。在制热循环时,被调的空气流过冷凝器而室外空气流过蒸发器。工质换向后则成了制冷循环,被调空气流过蒸发器而室外空气流过冷凝器。

 

 3、空气—水热泵

热泵型冷水机组的常见型式。制热与制冷循环的切换通过换向阀改变热泵工质的流向来实现。

 

收集了比较全的热泵知识,机理及分类。


4、水—空气热泵

热源为水(制冷运行时为冷源),用作供热(冷)的介质为空气。

 

收集了比较全的热泵知识,机理及分类。


5、水—水热泵

利用切换工质回路来实现制热或制冷运行。为了避免污染封闭冷水系统,需要间接地通过一个换热器来供水,或利用封闭回路的冷凝器水系统。

 

收集了比较全的热泵知识,机理及分类。


6、大地耦合式

利用土壤作为热源和冷却物。

 

收集了比较全的热泵知识,机理及分类。


热泵工质在埋于地下的盘管中直接膨胀的形式

 

收集了比较全的热泵知识,机理及分类。


  • 大地耦合式热泵供热介质为空气,热交换效果与砂土类型、含湿量、成分、密度和是否均匀地紧贴换热面有关。

  • 管子材料和当地砂土及地下水的腐蚀作用会影响传热和使用寿命。